Cabina Elettrica Di Trasformazione / 1 Di 8 Cabine Elettriche Di Trasformazione Parte Prima

Cabina Elettrica Di Trasformazione / 1 Di 8 Cabine Elettriche Di Trasformazione Parte Prima. Sulle cabine elettriche di trasformazione, la cui funzione è quella di permettere normalmente il passaggio dalla media alla bassa tensione. Cabina di trasformazione modulare per galleria serie ums. Una cabina elettrica è una parte dell'impianto elettrico che comprende le terminazioni delle linee di trasmissione o distribuzione, apparecchiature e quadri elettrici e che può anche includere dei trasformatori. Sempre imitata, mai eguagliata, la serie ums rappresenta la summa dell'esperienza e della ricerca e sviluppo scae ed è stata specificamente progettata e sviluppata per rispondere alle esigenze di trasformazione e distribuzione di energia (mt/bt) in ambienti di lavoro particolarmente. 20 kv), in valori di tensione adatti per l'alimentazione delle linee in bassa tensione (es.

Per le cabine secondarie è la distanza, in pianta sul livello del suolo, da tutte le pareti della cabina stessa che garantisce i requisiti di cui sopra (scheda b10). L'autorità di sistema portuale del mare adriatico settentrionale, nell'ottica di un costante adeguamento e miglioramento delle infrastrutture portuali,. Nuova cabina elettrica di trasformazione n. 15 kv in mt), ai valori di tensione Una cabina elettrica è una parte dell'impianto elettrico che comprende le terminazioni delle linee di trasmissione o distribuzione, apparecchiature e quadri elettrici e che può anche includere dei trasformatori.

Https Library E Abb Com Public 5d00023092cb45469e87fc614efc78b8 Gu Cabine Mt Bt It 1vcp000591 1511 Pdf
Https Library E Abb Com Public 5d00023092cb45469e87fc614efc78b8 Gu Cabine Mt Bt It 1vcp000591 1511 Pdf from
Le principali tipologie di cabina elettrica sono le cabine di trasformazione e le cabine di smistamento. 20 kv), in valori di tensione adatti per l'alimentazione delle linee in bassa tensione (es. La cabina elettrica di trasformazione è costituita dall'insieme dei conduttori, apparecchiature e macchine atte alla trasformazione della tensione, fornita dalla rete di distribuzione a media tensione (es. 15 kv in mt), ai valori di tensione La cabina elettrica di trasformazione è riportata nella figura vi.1. Le cabine di trasformazione e distribuzione sono costituite da conduttori, apparecchiature e macchinari necessari per la trasformazione dell'energia da alta a media tensione o da media a bassa tensione.a seconda della diversa tensione di energia trasformata si distinguono due. Una cabina elettrica viene costruita per assolvere alle funzioni di trasformazione e distribuzione dell'energia. 15 kv in mt), ai valori di tensione per l'alimentazione delle linee in bassa tensione (230 v, 400 v in bt).

Trasformazione, conversione, regolazione o smistamento dell'energia elettrica.

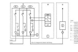
Sulle cabine elettriche di trasformazione, la cui funzione è quella di permettere normalmente il passaggio dalla media alla bassa tensione. 15 kv in mt), ai valori di tensione 15 kv in mt), ai valori di tensione per l'alimentazione delle linee in bassa tensione (230 v, 400 v in bt). Siamo produttori accreditati enel, le nostre cabine di trasformazione infatti sono omologate dall'ente fornitore di energia elettrica, e. Cabine elettriche prefabbricate di trasformazione e container box elettrico. 6 1.1 progettazione di una cabina non prefabbricata 1.1.1 progettazione del locale cabina 1.1.2 protezione e sicurezza della cabina 1.1.3 dimensionamento delle apparecchiature 1.1.4 prove e documentazioni 1.2 progettazione di una cabina prefabbricata I lavori, dapprima murali, si sono concentrati soprattutto sulla posa e definizione delle tubazioni a doppia parete incassate, alcune di grandi dimensioni, atte al contenimento delle grosse linee d. Per le cabine secondarie è la distanza, in pianta sul livello del suolo, da tutte le pareti della cabina stessa che garantisce i requisiti di cui sopra (scheda b10). Una cabina elettrica è in genere destinata ad almeno una di queste funzioni: Cabine elettriche prefabbricate di trasformazione cabine pannelli omologate enel monolitiche monoblocco, sottostazioni elettrica per impianti fotovoltaici. Una cabina per la trasformazione dell'energia elettrica ha natura di volume tecnico, cioè di opera priva di autonomia funzionale, anche potenziale, che è destinata a contenere gli impianti. A) b) figura vi.1 schema elettrico di una cabina elettrica di trasformazione a) con un trasformatore b) con due trasformatori nella. Le cabine di trasformazione sono costituite dall'insieme di conduttori, macchine e apparecchiature che trasformano la tensione presente nelle linee di media tensione nei valori corretti per le linee di bassa tensione.

A) b) figura vi.1 schema elettrico di una cabina elettrica di trasformazione a) con un trasformatore b) con due trasformatori nella. Le cabine di trasformazione e distribuzione sono costituite da conduttori, apparecchiature e macchinari necessari per la trasformazione dell'energia da alta a media tensione o da media a bassa tensione.a seconda della diversa tensione di energia trasformata si distinguono due. Cabina di trasformazione modulare per galleria serie ums. Sulle cabine elettriche di trasformazione, la cui funzione è quella di permettere normalmente il passaggio dalla media alla bassa tensione. Cabine omologate enel monolitiche, sottostazioni per impianti fotovoltaici eolici.

Le Cabine Di Trasformazione M T Come Renderle Piu Efficienti
Le Cabine Di Trasformazione M T Come Renderle Piu Efficienti from www.hile.it
Ci occupiamo di cabine elettriche prefabbricate da oltre quaranta anni, è così che abbiamo raggiunto un'esperienza tale da farci considerare azienda leader a livello nazionale. La cabina elettrica di trasformazione è costituita dall'insieme dei conduttori, apparecchiature e macchine atte alla trasformazione della tensione, fornita dalla rete di distribuzione a media tensione (es. A) b) figura vi.1 schema elettrico di una cabina elettrica di trasformazione a) con un trasformatore b) con due trasformatori nella. Sulle cabine elettriche di trasformazione, la cui funzione è quella di permettere normalmente il passaggio dalla media alla bassa tensione. 20 kv), in valori di tensione adatti per l'alimentazione delle linee in bassa tensione (es. Sai, ho avuto anchio i miei grattacapi. Realizzazione e rifacimento della cabina elettrica di trasformazione mt/bt presso il nostro cliente faggioni pallets s.r.l. Una cabina elettrica viene costruita per assolvere alle funzioni di trasformazione e distribuzione dell'energia.

Le cabine elettriche poste nei pressi degli edifici possono comportare dei disagi, se non dei veri e propri danni a chi vi abita.

Cabine omologate enel monolitiche, sottostazioni per impianti fotovoltaici eolici. Sulle cabine elettriche di trasformazione, la cui funzione è quella di permettere normalmente il passaggio dalla media alla bassa tensione. La cabina di trasformazione d'utente mt/bt 14.1 generalità la cabina elettrica di trasformazione è costituita dall'insieme dei conduttori, apparecchiature e macchine atte alla trasformazione della tensione, fornita dalla rete di distribuzione a media tensione (es. Le cabine di trasformazione sono costituite dall'insieme di conduttori, macchine e apparecchiature che trasformano la tensione presente nelle linee di media tensione nei valori corretti per le linee di bassa tensione. Le cabine elettriche poste nei pressi degli edifici possono comportare dei disagi, se non dei veri e propri danni a chi vi abita. Sempre imitata, mai eguagliata, la serie ums rappresenta la summa dell'esperienza e della ricerca e sviluppo scae ed è stata specificamente progettata e sviluppata per rispondere alle esigenze di trasformazione e distribuzione di energia (mt/bt) in ambienti di lavoro particolarmente. Cabine elettriche di trasformazione comando a salerno sezione dedicata alle imprese di cabine elettriche di trasformazione comando vicino a salerno.informazioni su aziende, descrizione di attività/prodotti/servizi. La cabina elettrica comprende in genere anche tutti i dispositivi necessari al controllo ed alla protezione. Una cabina elettrica è una parte dell'impianto elettrico che comprende le terminazioni delle linee di trasmissione o distribuzione, apparecchiature e quadri elettrici e che può anche includere dei trasformatori. Trasformazione, conversione, regolazione o smistamento dell'energia elettrica. Cabine elettriche prefabbricate di trasformazione e container box elettrico. 6 1.1 progettazione di una cabina non prefabbricata 1.1.1 progettazione del locale cabina 1.1.2 protezione e sicurezza della cabina 1.1.3 dimensionamento delle apparecchiature 1.1.4 prove e documentazioni 1.2 progettazione di una cabina prefabbricata Di zevio (vr), operata durante l'autunno del 2015.

La cabina elettrica di trasformazione mt/bt, quindi, è costituita dall'insieme dei dispositivi dedicati alla trasformazione della tensione fornita dalla rete di distribuzione in media tensione (es. Nuova cabina elettrica di trasformazione n. Una società all'interno dell'area di pertinenza del proprio capannone realizza una cabina per la trasformazione dell'energia elettrica. Una cabina per la trasformazione dell'energia elettrica ha natura di volume tecnico, cioè di opera priva di autonomia funzionale, anche potenziale, che è destinata a contenere gli impianti. I lavori, dapprima murali, si sono concentrati soprattutto sulla posa e definizione delle tubazioni a doppia parete incassate, alcune di grandi dimensioni, atte al contenimento delle grosse linee d.

Foto Cabine Di Trasformazione Mt Bt Di Manenti Giampaolo Impianti Elettrici Ed Elettronici Automazioni Industriali 516530 Habitissimo
Foto Cabine Di Trasformazione Mt Bt Di Manenti Giampaolo Impianti Elettrici Ed Elettronici Automazioni Industriali 516530 Habitissimo from it.habcdn.com
Una cabina elettrica viene costruita per assolvere alle funzioni di trasformazione e distribuzione dell'energia. Quali tutele offre la legge? Le cabine di trasformazione sono costituite dall'insieme di conduttori, macchine e apparecchiature che trasformano la tensione presente nelle linee di media tensione nei valori corretti per le linee di bassa tensione. 15 kv in mt), ai valori di tensione per l'alimentazione delle linee in bassa tensione (230 v, 400 v in bt). Trasformazione, conversione, regolazione o smistamento dell'energia elettrica. Sono costituite dall'insieme delle apparecchiature, atte alla trasformazione della tensione fornita dalla rete di distribuzione a media tensione, ai valori di tensione per l'alimentazione delle linee in bassa tensione. 15 kv in mt), ai valori di tensione La cabina elettrica comprende in genere anche tutti i dispositivi necessari al controllo ed alla protezione.

La cabina elettrica di trasformazione è riportata nella figura vi.1.

Cabine elettriche di trasformazione comando a salerno sezione dedicata alle imprese di cabine elettriche di trasformazione comando vicino a salerno.informazioni su aziende, descrizione di attività/prodotti/servizi. A) b) figura vi.1 schema elettrico di una cabina elettrica di trasformazione a) con un trasformatore b) con due trasformatori nella. È l'insieme delle linee elettriche delle sottostazioni e delle cabine di trasformazione. Quali tutele offre la legge? Una cabina elettrica è in genere destinata ad almeno una di queste funzioni: Una cabina elettrica è una parte dell'impianto elettrico che comprende le terminazioni delle linee di trasmissione o distribuzione, apparecchiature e quadri elettrici e che può anche includere dei trasformatori. Trasformazione, conversione, regolazione o smistamento dell'energia elettrica. Cabina elettrica prefabbricate di trasformazione box pannelli omologate enel monolitiche cabine elettrica per impianti fotovoltaici eolici richiedi un preventivo: La cabina elettrica comprende in genere anche tutti i dispositivi necessari al controllo ed alla protezione. Realizzazione e rifacimento della cabina elettrica di trasformazione mt/bt presso il nostro cliente faggioni pallets s.r.l. La cabina di trasformazione d'utente mt/bt 14.1 generalità la cabina elettrica di trasformazione è costituita dall'insieme dei conduttori, apparecchiature e macchine atte alla trasformazione della tensione, fornita dalla rete di distribuzione a media tensione (es. Una cabina per la trasformazione dell'energia elettrica ha natura di volume tecnico, cioè di opera priva di autonomia funzionale, anche potenziale, che è destinata a contenere gli impianti. Te parlavi di cabina elettrica di trasformazione, come giustamente hai scrito anche nel titolo, ed io nella mia testa interpretavo sala macchine con trasformatori , errore dovuto al fatto che ne avevo fatto una prima di agosto.

0 Response to "Cabina Elettrica Di Trasformazione / 1 Di 8 Cabine Elettriche Di Trasformazione Parte Prima"

Post a Comment